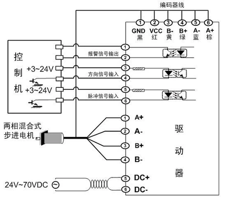
SS-20806 New two-phase closed loop stepping driver
$324.00
No tax
SS-20806 New two-phase closed loop stepping driver

Secure Payment Processing
Worldwide Free Shipping
Money Back Guarantee